Why choose a parallel shaft structure
In industrial equipment, if the power input shaft and output shaft are in the same direction, the theoretically ideal structure is a parallel shaft drive. It doesn't require changing the direction of power, reduces energy loss during reversal, has a compact structure, and a more direct load-bearing path, allowing power to be transmitted in a straight line, not through a detour.
Product Technology
Linear Power Transmission
Power enters from the input shaft and is gradually reduced in speed through parallel gears.
This reduces the additional losses caused by direction changes compared to a right-angle structure.
Uniform Stress Distribution
In a parallel shaft structure, gear contact is more stable, and load distribution is more continuous.
This is especially important for heavy-duty or continuously operating systems.
Modular Assembly Capability
The parallel axis gear motor structure is easy to match with motors of different specifications, facilitating the formation of standardized product series.
Key Control Points for Reliability
Gear Contact Accuracy Management
Accuracy determines operational smoothness and noise level.
Housing Rigidity Design
Under high load conditions, the housing must maintain structural stability to avoid changes in internal meshing.
Bearing Load Matching
Properly distributing radial and axial forces reduces the risk of long-term wear.
Dynamic Operation Verification
Each batch of Parallel axis gear motors undergoes operational testing to observe temperature rise and vibration trends, ensuring long-term stable operation.
Frequently Asked Questions
1. Is the parallel axis gear motor inefficient?
The parallel axis structure itself has high transmission efficiency, making it suitable for energy-sensitive production lines.
2. Is it suitable for heavy loads?
With appropriate reduction ratio matching, it can support medium to high load environments.
3. Can it be customized?
It supports different reduction ratios, shaft diameters, and mounting methods to match different equipment.
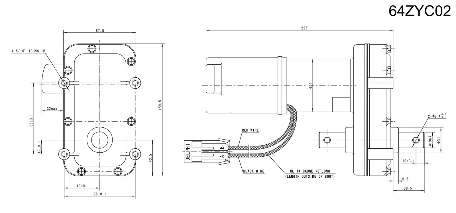
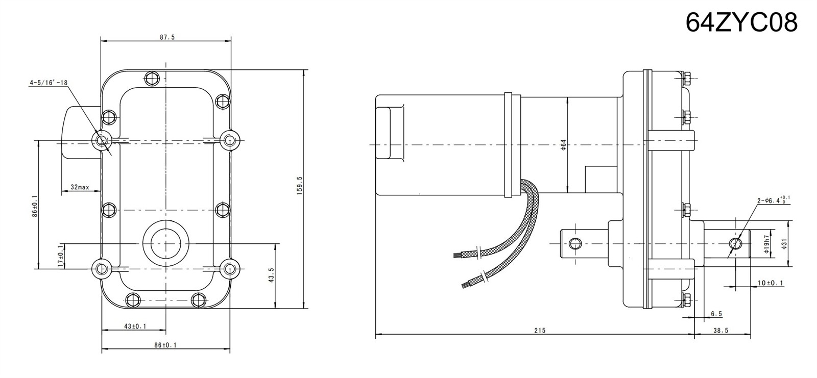
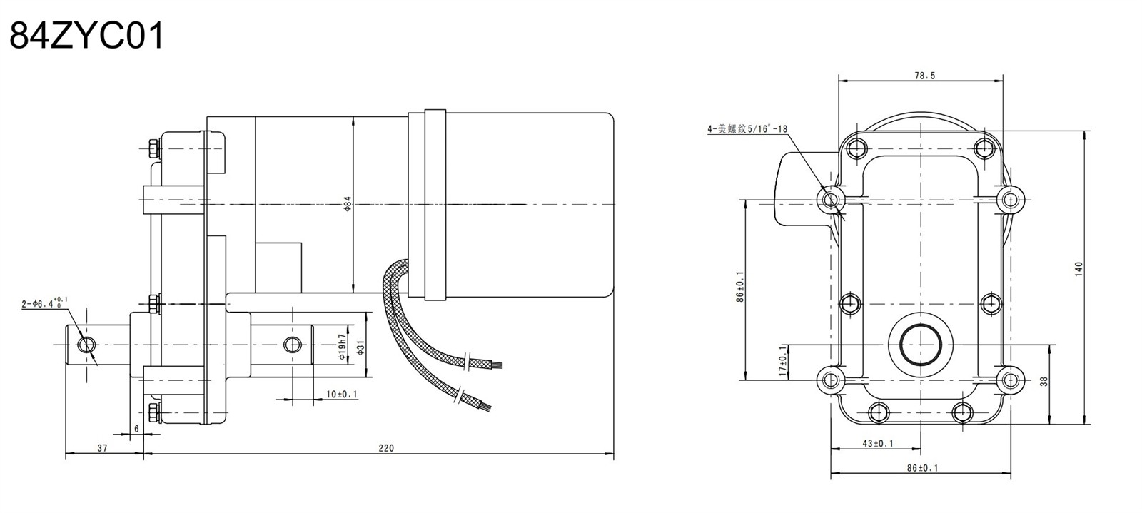
Performance parameter table






| 64ZYC Series Gear Motor Specifications | |||||||
| Type | Voltage | Torque | Speed | Current | Working Duty | Protection Class | Ratio |
| AM64ZYC01 | 12V DC | 300IN·LBS | 15RPM | 15A | S1 | IP 54 | 130.86:1 |
| AM64ZYC02 | 12V DC | 400-850IN·LBS | 8.5-11.5RPM | 10-19A | S2 | IP 54 | 162.7:1 |
| AM64ZYC05 | 12V DC | 130IN·LBS | 30RPM | 10A | S2 | IP 54 | 130.86:1 |
| AM64ZYC06 | 12V DC | 300IN·LBS | 27RPM | 14A | S2 | IP 54 | 130.86:1 |
| AM64ZYC08 | 12V DC | 400IN·LBS | 8.5RPM | 7.5A | S1 | IP 54 | 415:1 |
| AM64ZYC14 | 12V DC | 300IN·LBS | 12RPM | 8A | S1 | IP 54 | 130.86:1 |
| AM80ZYC03 | 12V DC | 41.6IN·LBS | 350RPM | 28A | S1 | IP 54 | 6:1 |
| AM84ZYC01 | 12V DC | 400IN·LBS | 15RPM | 15A | S1 | IP 54 | 107.8:1 |
| AM84ZYC03 | 12V DC | 400-725IN·LBS | 25-35RPM | 28-46A | S2 | IP 54 | 69.74:1 |
Our Services
AURIC can assist you in calculating load requirements, providing reasonable safety margins, offering matching suggestions, supporting testing during project development, ensuring consistency of batch products, and reducing the risk of later repairs and replacements for customers.
If you are planning a production line upgrade,when your equipment requires high-efficiency linear drive, stable output over extended periods, reduced energy consumption, and a standardized modular structure, the Parallel Axis Gear Motor is a more reasonable choice.
Please contact us for technical information and selection advice.
We will provide a more suitable solution based on your load and operating time.
Hot Tags: parallel axis gear motor, China parallel axis gear motor manufacturers, suppliers, factory
