What Determines High Precision
Multi-Tooth Simultaneous Meshing Structure
Planetary gear structures inherently possess multi-point force distribution characteristics, resulting in uniform load distribution, high torque density, and a compact structure.
Low Backlash Control
Backlash affects servo positioning errors, robot repeatability, and CNC machining quality. Through precision gear machining and assembly control, low backlash output is achieved, making system control more precise.
High Rigidity Structural Design
During high-speed acceleration and deceleration, insufficient structural rigidity in the high-precision planetary gearbox can lead to dynamic vibration, precision drift, and premature bearing wear. A high-rigidity housing and optimized bearing support structure ensure long-term stable operation.
Application Scenarios
Servo Motor Gearbox
Industrial Robots
CNC Machine Tools
Automated Assembly Lines
Semiconductor Equipment
Medical Equipment
Precision Positioning Platforms
Why Choose Us
We Support System Selection Engineering
We can calculate and recommend a reduction ratio based on your load inertia and duty cycle.
We Provide Servo System Matching Suggestions
We assist you in matching the appropriate motor model.
We Conduct Application Risk Assessments
To avoid overload and accuracy mismatch issues.
Technical Communication During Project Phases
We support cooperation during the prototype testing phase.
Long-Term Supply Stability
We prioritize the long-term performance of our customers' equipment.
If you are looking for a precision transmission solution that can operate stably for a long time, please contact us to obtain technical specifications and selection advice, so that your equipment can have higher positioning accuracy, more stable output and stronger market competitiveness.
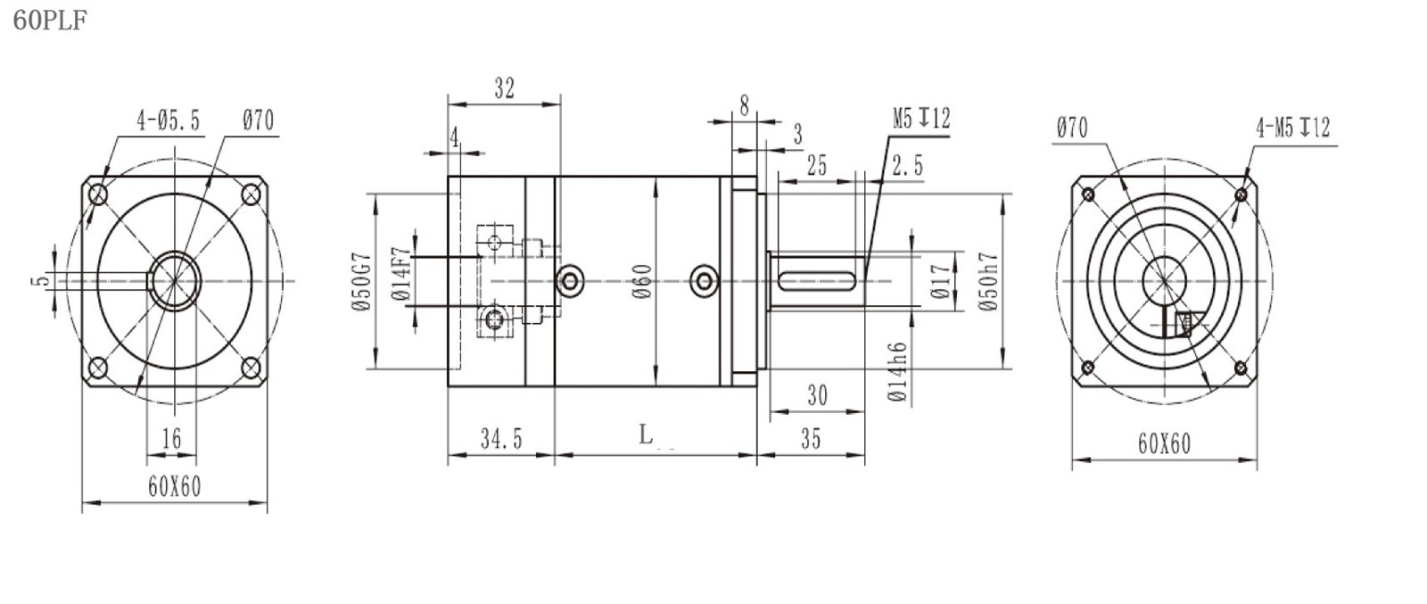
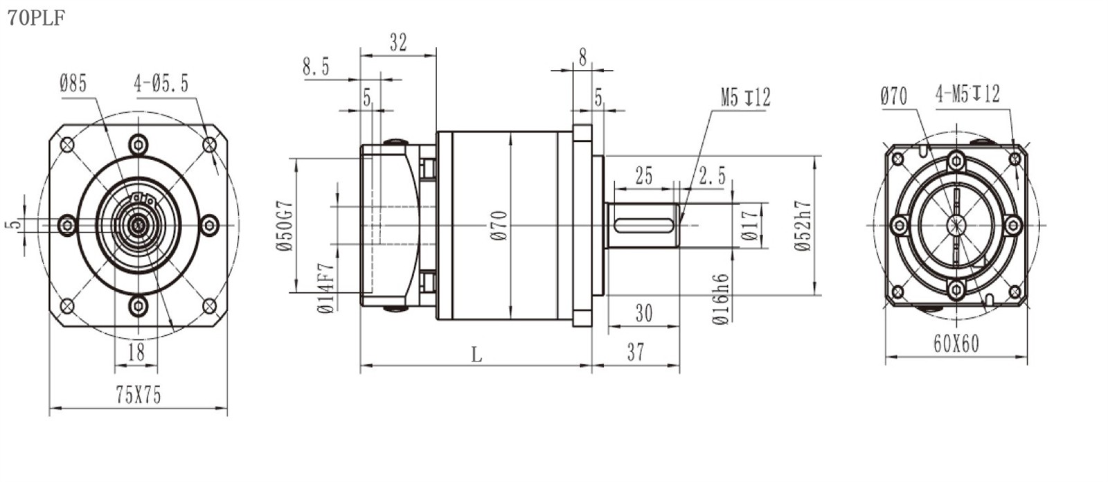
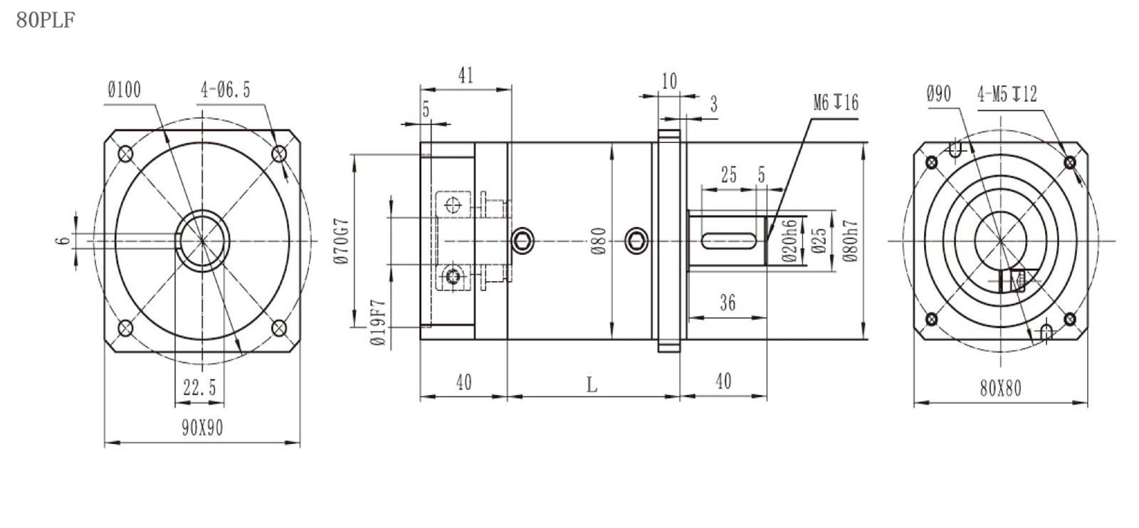
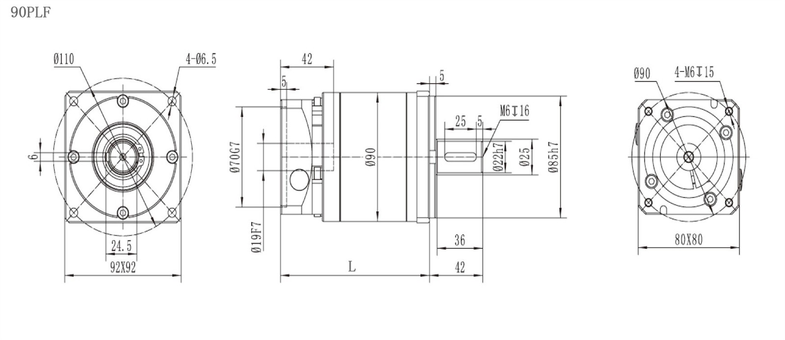
Performance parameter table







| PLF High Precision Planetary Gearbox Specifications | |||||||||
| Item | Unit | 60PLF05 | 60PLF25 | 70PLF05 | 70PLF25 | 80PLF05 | 80PLF25 | 90PLF05 | 90PLF25 |
| Rated Input Speed | rpm | 3000 | 3000 | 3000 | 3000 | 3000 | 3000 | 3000 | 3000 |
| Max Input Speed | rpm | 6000 | 6000 | 6000 | 6000 | 6000 | 6000 | 6000 | 6000 |
| Precision Backlash | P1 arcmin | ≤8 | ≤10 | ≤8 | ≤10 | ≤8 | ≤10 | ≤8 | ≤10 |
| Precision Backlash | P2 arcmin | ≤10 | ≤12 | ≤10 | ≤12 | ≤10 | ≤12 | ≤10 | ≤12 |
| Noise Level | dB(A) | ≤60 | ≤60 | ≤60 | ≤60 | ≤60 | ≤60 | ≤60 | ≤60 |
| Max Radial Load | N | 480 | 480 | 480 | 600 | 900 | 900 | 900 | 900 |
| Max Axial Load | N | 600 | 600 | 480 | 600 | 1200 | 1200 | 1200 | 1200 |
| Ratio | 1:5 | 1:25 | 1:5 | 1:25 | 1:5 | 1:25 | 1:5 | 1:25 | |
| Efficiency | % | ≥97 | ≥94 | ≥97 | ≥94 | ≥97 | ≥94 | ≥97 | ≥94 |
| Weight | kg | 0.93 | 1.15 | 1.3 | 1.9 | 2.35 | 2.7 | 4 | 5.5 |
| Length (L) | mm | 47 | 65.5 | 79.5 | 97.5 | 57.5 | 79.5 | 95.5 | 117.5 |
| Length (LA) | mm | ||||||||
| Operating Ambient Temperature | ℃ | -15℃ ~ +40℃ | |||||||
| Service Life | h | ≥20000 | |||||||
| Lubrication | Synthetic grease, lifetime maintenance-free | ||||||||
| NOTE: The series of reducers can be matched with various types of motors, including AC, DC, stepper and servo motors, and can be customized according to user requirements. | |||||||||
| PLF High Precision Planetary Gearbox Specifications | |||||||||
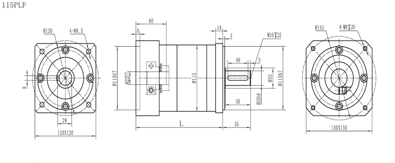
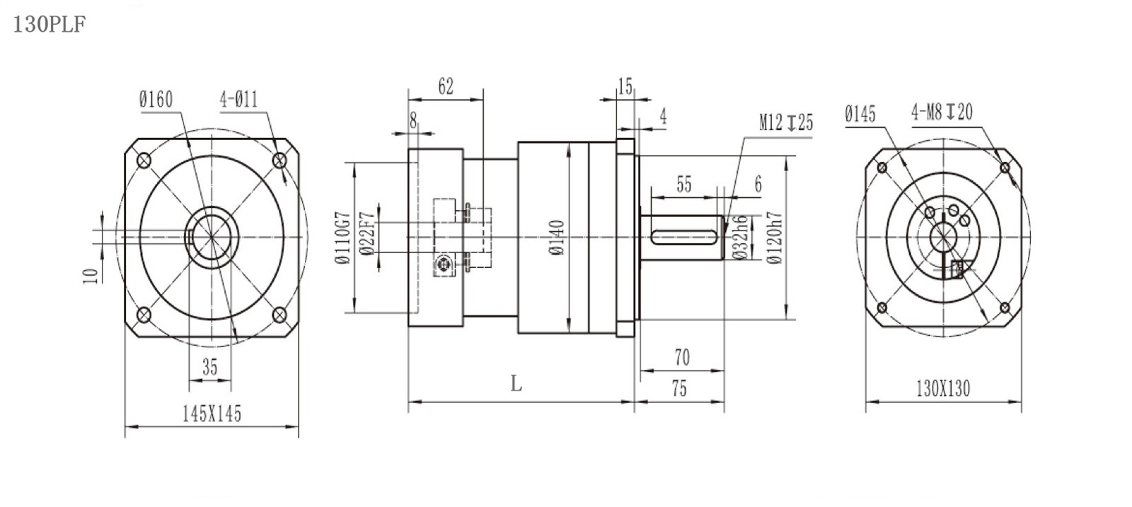
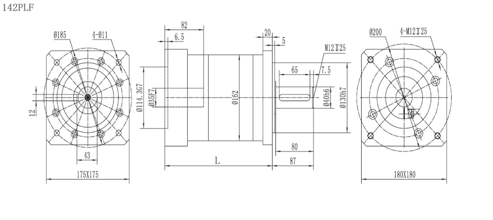
| Item | Unit | 115PLF05 | 115PLF25 | 130PLF05 | 130PLF25 | 142PLF05 | 142PLF25 | ||
| Rated Input Speed | rpm | 3000 | 3000 | 3000 | 3000 | 2000 | 2000 | ||
| Max Input Speed | rpm | 6000 | 6000 | 6000 | 6000 | 4000 | 4000 | ||
| Precision Backlash | P1 arcmin | ≤8 | ≤10 | ≤8 | ≤10 | ≤8 | ≤10 | ||
| Precision Backlash | P2 arcmin | ≤10 | ≤12 | ≤10 | ≤12 | ≤10 | ≤12 | ||
| Noise Level | dB(A) | ≤63 | ≤63 | ≤65 | ≤65 | ≤65 | ≤65 | ||
| Max Radial Load | N | 1850 | 1850 | 2000 | 2000 | 3600 | 3600 | ||
| Max Axial Load | N | 2800 | 2800 | 3500 | 3500 | 8000 | 8000 | ||
| Ratio | 1:5 | 1:25 | 1:5 | 1:25 | 1:5 | 1:25 | |||
| Efficiency | % | ≥97 | ≥94 | ≥97 | ≥94 | ≥97 | ≥94 | ||
| Weight | kg | 6 | 8 | 12 | 16 | 19 | 24 | ||
| Length (L) | mm | 140 | 170.5 | 161 | 188 | 187.5 | 225.5 | ||
| Length (LA) | mm | ||||||||
| Operating Ambient Temperature | ℃ | -15℃ ~ +40℃ | |||||||
| Service Life | h | ≥20000 | |||||||
| Lubrication | Synthetic grease, lifetime maintenance-free | ||||||||
| NOTE: The series of reducers can be matched with various types of motors, including AC, DC, stepper and servo motors, and can be customized according to user requirements. | |||||||||
FAQ
Hot Tags: high precision planetary gearbox, China high precision planetary gearbox manufacturers, suppliers, factory

